Ölfilterhalter zerbröselt
Moderator: Gerry
Ölfilterhalter zerbröselt
Hallo,
ich habe vor Jahren an meiner Shovel als ziemlich eine der ersten Maßnahmen einen Ölfilter in den Ölkreislauf integriert - es war gar kein Filter verbaut.
Dafür habe ich an die Getriebegrundplatte zwischen Getriebe und Hinterradschwinge einen selbst konstruierten einfachen Halter verbaut, an dem der Ölfilter montiert wird.
Dieser Halter wird direkt auf der Grundplatte montiert - es sind ganz hinten zwei ungenutzte Bohrungen vorhanden, die dafür herhalten durften.
Das Patent an sich hat gut funktioniert, Ölfilter war kaum zu sehen, Ölwechsel bei laufendem Motor war gut machbar.
Mittlerweile hat sich jetzt der dritte!! Halter verabschiedet - ich hab sie immer nach dem selben Muster neu angefertigt.
Der letzte war ein 3mm starkes Winkeleisen aus dem Baumarkt, welches zum Verschrauben von Kanthölzern genutzt wird.
Gebrochen sind sie immer an der gleichen Stelle im Knick.
Ein neuer Halter muss her. Die Position an sich finde ich nicht schlecht, aber die Gefahr unterwegs auf Tour far from home mit dem Problem dazustehen gilt es zu vermeiden. Offensichtlich ist das Rütteln und Vibrieren die Ursache - lässt sich ja nicht abstellen.
Ich bitte mal eure Meinung - wenn ich da was dämpfendes wie eine Hartgummischeibe zwischen Halter und Grundplatte lege, hab ich dann Ruhe??
Wie habt ihr das gelöst, solltet ihr an selbiger Stelle den Ölfilter montiert haben??
Danke für eure Ideen
Holger
PS: Auf den Bildern seht ihr zwei Versionen. Der feuerverzinkte ist der aktuelle, der schwarze im montierten Zustand sein Vorgänger.
ich habe vor Jahren an meiner Shovel als ziemlich eine der ersten Maßnahmen einen Ölfilter in den Ölkreislauf integriert - es war gar kein Filter verbaut.
Dafür habe ich an die Getriebegrundplatte zwischen Getriebe und Hinterradschwinge einen selbst konstruierten einfachen Halter verbaut, an dem der Ölfilter montiert wird.
Dieser Halter wird direkt auf der Grundplatte montiert - es sind ganz hinten zwei ungenutzte Bohrungen vorhanden, die dafür herhalten durften.
Das Patent an sich hat gut funktioniert, Ölfilter war kaum zu sehen, Ölwechsel bei laufendem Motor war gut machbar.
Mittlerweile hat sich jetzt der dritte!! Halter verabschiedet - ich hab sie immer nach dem selben Muster neu angefertigt.
Der letzte war ein 3mm starkes Winkeleisen aus dem Baumarkt, welches zum Verschrauben von Kanthölzern genutzt wird.
Gebrochen sind sie immer an der gleichen Stelle im Knick.
Ein neuer Halter muss her. Die Position an sich finde ich nicht schlecht, aber die Gefahr unterwegs auf Tour far from home mit dem Problem dazustehen gilt es zu vermeiden. Offensichtlich ist das Rütteln und Vibrieren die Ursache - lässt sich ja nicht abstellen.
Ich bitte mal eure Meinung - wenn ich da was dämpfendes wie eine Hartgummischeibe zwischen Halter und Grundplatte lege, hab ich dann Ruhe??
Wie habt ihr das gelöst, solltet ihr an selbiger Stelle den Ölfilter montiert haben??
Danke für eure Ideen
Holger
PS: Auf den Bildern seht ihr zwei Versionen. Der feuerverzinkte ist der aktuelle, der schwarze im montierten Zustand sein Vorgänger.
- Dateianhänge
-
- Ölfilterhalter 2.jpg (64.59 KiB) 290 mal betrachtet
-
- Ölfilterhalter 1.jpg (55.39 KiB) 290 mal betrachtet
Late Shovel FXS, Baujahr 1977, 1340cc, MTZ 1, Mikuni HSR42, Kick- und Hebelstarter, Jockeyshift & Suicide-Clutch
Honda Shadow 600, Bj 1996
Simson S50B, Bj 1976
Brixton Cromwell
Und ein Chinaroller ….
Honda Shadow 600, Bj 1996
Simson S50B, Bj 1976
Brixton Cromwell
Und ein Chinaroller ….
- Don Rocket
- Beiträge: 1788
- Registriert: 14.08.2012, 12:47
- Wohnort: Paris
Re: Ölfilterhalter zerbröselt
Hallo Honk
Ein voller Ölfilter, dazu noch solch ein langer, wie auf den Photos, wiegt schon ein bisschen was und bringt den Baumarkt-Winkel locker zum brechen, wie du selber siehst.
Jetzt sind die Platzverhältnisse ja an der Stelle nicht unendlich, du kannst also nicht die Winkelfläche verlängern. Ich würde das Teil aus 3mm VA Blech mit einem kleinen Radius, also nicht scharfkantig biegen, das hält.
Wichtig in dem Zusammenhang sind folgende Dinge: Ein Riss im Material hat seinen Anfang immer in einer Kerbe. Deswegen sollte man besonders bei Alublechen Anrisse nicht mit einer Reissnadel, sondern mit einem spitzen Bleistift zeichnen. Biegewinkel immer möglichst groß wählen und Löcher sauber entgraten, alles was bei deinem Winkel nicht beachtet wurde. Man sieht sogar ziemlich gut, wo der Riss seinen Anfang nahm. Dann ist das Teil auch noch verzinkt, was das Material verspröden lässt. VA ist wesentlich zäher.
Gummischeiben zwischen Grundplatte und Halter bringen nichts, das rappelt sich irgendwann alles kaputt.
Gruß
Dieter
Ein voller Ölfilter, dazu noch solch ein langer, wie auf den Photos, wiegt schon ein bisschen was und bringt den Baumarkt-Winkel locker zum brechen, wie du selber siehst.
Jetzt sind die Platzverhältnisse ja an der Stelle nicht unendlich, du kannst also nicht die Winkelfläche verlängern. Ich würde das Teil aus 3mm VA Blech mit einem kleinen Radius, also nicht scharfkantig biegen, das hält.
Wichtig in dem Zusammenhang sind folgende Dinge: Ein Riss im Material hat seinen Anfang immer in einer Kerbe. Deswegen sollte man besonders bei Alublechen Anrisse nicht mit einer Reissnadel, sondern mit einem spitzen Bleistift zeichnen. Biegewinkel immer möglichst groß wählen und Löcher sauber entgraten, alles was bei deinem Winkel nicht beachtet wurde. Man sieht sogar ziemlich gut, wo der Riss seinen Anfang nahm. Dann ist das Teil auch noch verzinkt, was das Material verspröden lässt. VA ist wesentlich zäher.
Gummischeiben zwischen Grundplatte und Halter bringen nichts, das rappelt sich irgendwann alles kaputt.
Gruß
Dieter
Chrome won't bring you home
Re: Ölfilterhalter zerbröselt
es gibt von Harley nen Original Halter für die kleinen Oelfilter OEM 62538-82
Edit Gerry: Copyright beachten! Technische Originalzeichnungen sind hier nicht zugelassen!
Edit Gerry: Copyright beachten! Technische Originalzeichnungen sind hier nicht zugelassen!
Re: Ölfilterhalter zerbröselt
Servus,
eigentlich hast du da zwei probleme, bzw. zwei Kraftverläufe. Das Gewicht, das gegen den Winkel drückt und dass der Winkel exzentrisch angebracht ist. Ich würde diesen halter neu anfertigen, mit einer versteifungsrippe, die aus deinem Blechstreifen einen Winkel macht und das die Rippe bis mindestens zur hälfte der auflagefläche deines Ölfilterhalters geht. Um dem Halter die Elastizität zu nehmen.
Vorallem mal 4-5mm Wandstärke.
eigentlich hast du da zwei probleme, bzw. zwei Kraftverläufe. Das Gewicht, das gegen den Winkel drückt und dass der Winkel exzentrisch angebracht ist. Ich würde diesen halter neu anfertigen, mit einer versteifungsrippe, die aus deinem Blechstreifen einen Winkel macht und das die Rippe bis mindestens zur hälfte der auflagefläche deines Ölfilterhalters geht. Um dem Halter die Elastizität zu nehmen.
Vorallem mal 4-5mm Wandstärke.
Red Bull verleiht Flügel, Green Bull verteilt Prügel.....;o)
- holzlenker
- Beiträge: 4003
- Registriert: 31.01.2007, 08:53
- Wohnort: 93057 Regensburg
Re: Ölfilterhalter zerbröselt
Servus,Don Rocket hat geschrieben: ↑08.09.2025, 19:19 Hallo Honk
Jetzt sind die Platzverhältnisse ja an der Stelle nicht unendlich, du kannst also nicht die Winkelfläche verlängern. Ich würde das Teil aus 3mm VA Blech mit einem kleinen Radius, also nicht scharfkantig biegen, das hält.
...
Gruß
Dieter
also ich habe das Gefühl, daß V2A von Vibrationen nicht soviel hält, mir ist da schon Einiges gebrochen, trotz Deiner Hinweise zu Verarbeitung.
Was sagt denn unsere Metallurge Peter zu der Thematik, "Edelstahl" und Vibes?
Ciao Lutz
PS: Der von Robert erwähnte Halter sieht so aus:

Beim Beschleunigen müssen die Tränen der Ergriffenheit waagerecht zum Ohr hin abfließen. (Walter Röhrl)
Re: Ölfilterhalter zerbröselt
Hallo,
Hab auch nen Ölfilter an der Stelle, alllerdings an einer geraden 10mm Aluplatte. Der Filter hängt damit nach unten und wird auch von unten ein-/ausgeschraubt. So gibt es kein Gesuppe beim Filterwechsel. Der Platz zwischen Reifen und Schwinge reicht aus. Hält seit etlichen Jahren.
Die verwendette Filterplatte nennt sich "CPV-Ölfilterhalter". Hat mir Gerry besorgt.
Allerdings hat die ein 3/4"-16 Gewinde für 10microns Ölfilter. Da ich im Rücklauf der Shovel lieber die 30microns Ölfilter mit etwas weniger Staudruck habe, hab ich das Gewinde auf M16x1,5 geändert.
Mach in der Mittagspause mal ein paar Fotos.
Gruß,
Michael
Hab auch nen Ölfilter an der Stelle, alllerdings an einer geraden 10mm Aluplatte. Der Filter hängt damit nach unten und wird auch von unten ein-/ausgeschraubt. So gibt es kein Gesuppe beim Filterwechsel. Der Platz zwischen Reifen und Schwinge reicht aus. Hält seit etlichen Jahren.
Die verwendette Filterplatte nennt sich "CPV-Ölfilterhalter". Hat mir Gerry besorgt.
Allerdings hat die ein 3/4"-16 Gewinde für 10microns Ölfilter. Da ich im Rücklauf der Shovel lieber die 30microns Ölfilter mit etwas weniger Staudruck habe, hab ich das Gewinde auf M16x1,5 geändert.
Mach in der Mittagspause mal ein paar Fotos.
Gruß,
Michael
1958er FLH Knickrahmen Bobber
1340er Late Shovel
Kicker only - tief und laut!
1340er Late Shovel
Kicker only - tief und laut!
Re: Ölfilterhalter zerbröselt
Hier die Fotos.
..ich weiß, gehört mal geputzt...
Gruß,
Michael
..ich weiß, gehört mal geputzt...
Gruß,
Michael
1958er FLH Knickrahmen Bobber
1340er Late Shovel
Kicker only - tief und laut!
1340er Late Shovel
Kicker only - tief und laut!
Re: Ölfilterhalter zerbröselt
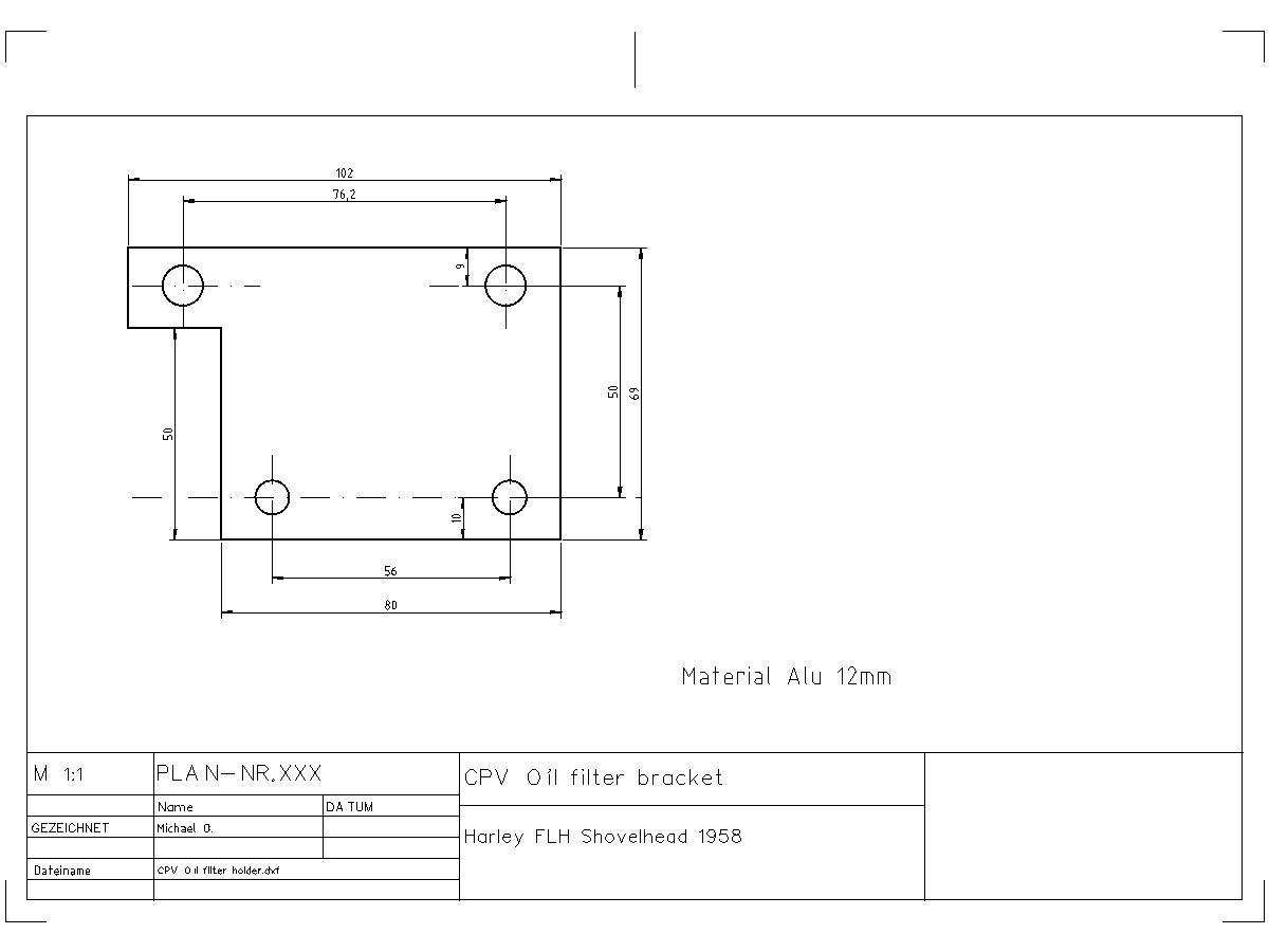
Hab sogar noch die Zeichnung gefunden...
1958er FLH Knickrahmen Bobber
1340er Late Shovel
Kicker only - tief und laut!
1340er Late Shovel
Kicker only - tief und laut!
Re: Ölfilterhalter zerbröselt
*dauerwerbesendung*
Grundplatte ist diese: https://www.kraftradteile.com/CPV-Oelfi ... -universal
Gruß,
Gerry
Grundplatte ist diese: https://www.kraftradteile.com/CPV-Oelfi ... -universal
Gruß,
Gerry
Shovel-Head.com - Teileshop:
https://www.kraftradteile.com
Gerry's BAKERy:
https://www.bakergetriebe.de
https://www.kraftradteile.com
Gerry's BAKERy:
https://www.bakergetriebe.de
Re: Ölfilterhalter zerbröselt
Gerry + Michael ... einmal mit Profis arbeiten
Sehr gut, vielen Dank
So soll´s werden
Gruß
Holger
Sehr gut, vielen Dank
So soll´s werden
Gruß
Holger
Late Shovel FXS, Baujahr 1977, 1340cc, MTZ 1, Mikuni HSR42, Kick- und Hebelstarter, Jockeyshift & Suicide-Clutch
Honda Shadow 600, Bj 1996
Simson S50B, Bj 1976
Brixton Cromwell
Und ein Chinaroller ….
Honda Shadow 600, Bj 1996
Simson S50B, Bj 1976
Brixton Cromwell
Und ein Chinaroller ….
-
Shovelpeter
- Beiträge: 330
- Registriert: 15.04.2007, 15:54
Re: Ölfilterhalter zerbröselt
Hi, ohne jetzt die Bruchflächen betrachtet zu haben, aufgrund des Fehlerbildes (Verformungsarm): Ermüdungsbruch (aka Schwingbruch), also Versagen aufgrund von stetig wiederkehrender Belastung unterhalb der Streckgrenze. Da hilft die Spannung/Amplitude einschränken, also weniger Gewackelt: Kerbarm ausführen und dicker machen bzw. geometrisch aussteifen (Rippe dran) oder anders befestigen.
Zum Thema CrNi-Stahl: Lutz liegt richtig, beim Thema Ermüdung sind diese Stähle den ferritischen Stählen unterlegen (siehe bspw. Wikipedia Wöhlerversuch). Zum Thema VA ist zäher: stimmt auch
, allerdings eher in Bezug auf die zur Zerstörung aufzuwendende Arbeit bzw die Sprödbruchsicherheit (wie schnell versagt das ganze Bauteil bei Überlastung).
Gruß, Peter
Zum Thema CrNi-Stahl: Lutz liegt richtig, beim Thema Ermüdung sind diese Stähle den ferritischen Stählen unterlegen (siehe bspw. Wikipedia Wöhlerversuch). Zum Thema VA ist zäher: stimmt auch
Gruß, Peter