Kabelbaum selber bauen
Moderator: Gerry
Re: Kabelbaum selber bauen
Hallo
Habe vor ca 5 Jahren meinen Kabelbaum komplett erneuert. Da ich die kabel alle durch den Lenker ziehen musste, habe ich mich für eine andere Lösung entschieden.
[https://motogadget.com/shop/de/elektrik.
Eine Elektronikbox mit elektronischen Sicherungen, eigebautem Blinkrelais, Alarmanlage, einstellbares (Blinkfrequenz) Bremslicht und Bus-Technik, also nur ein Kabel durch den Lenker .
Funktioniert einwandfrei.
Eingebaut in den Horseshoeoeltank + kleine Lithium Batterie (Kickstarter)
Gruß Josch
Habe vor ca 5 Jahren meinen Kabelbaum komplett erneuert. Da ich die kabel alle durch den Lenker ziehen musste, habe ich mich für eine andere Lösung entschieden.
[https://motogadget.com/shop/de/elektrik.
Eine Elektronikbox mit elektronischen Sicherungen, eigebautem Blinkrelais, Alarmanlage, einstellbares (Blinkfrequenz) Bremslicht und Bus-Technik, also nur ein Kabel durch den Lenker .
Funktioniert einwandfrei.
Eingebaut in den Horseshoeoeltank + kleine Lithium Batterie (Kickstarter)
Gruß Josch
Re: Kabelbaum selber bauen
Hallo an alle Elektriker hier , bin gerade am Aufbau bzw. Umbau einer Shovelhead Bj. 72 zum Bobber !
Möchte die Elektrik neu machen , der Anlasser ist nicht mehr vorhanden , also Umbau auf Blechprimär etc. , ...
Bin mehr der Mechaniker , jetzt graut es mir schon die Elektrik zu beginnen ,
somit möchte ich euch bitten mir mit einem einfach zu verstehenden Schaltplan zu helfen ...
Zündschloss möchte ich unten am Getriebedeckel anbringen , also Tacho soll ein kleines rundes mit Anzeigen integriert Öldruck , Blinker etc. verbaut werden.
würde mich echt riesig freuen wenn ihr mir helfen würdet , am besten so ein Schaltplan wo die einzelnen Komponenten aufgemalt sind , alles vorhanden nur kein Anlasser mehr .
Danke schon mal im Voraus !
Möchte die Elektrik neu machen , der Anlasser ist nicht mehr vorhanden , also Umbau auf Blechprimär etc. , ...
Bin mehr der Mechaniker , jetzt graut es mir schon die Elektrik zu beginnen ,
somit möchte ich euch bitten mir mit einem einfach zu verstehenden Schaltplan zu helfen ...
Zündschloss möchte ich unten am Getriebedeckel anbringen , also Tacho soll ein kleines rundes mit Anzeigen integriert Öldruck , Blinker etc. verbaut werden.
würde mich echt riesig freuen wenn ihr mir helfen würdet , am besten so ein Schaltplan wo die einzelnen Komponenten aufgemalt sind , alles vorhanden nur kein Anlasser mehr .
Danke schon mal im Voraus !
- holzlenker
- Beiträge: 4071
- Registriert: 31.01.2007, 08:53
- Wohnort: 93057 Regensburg
Re: Kabelbaum selber bauen
Servus shelbytg,
weiter vorn in diesem Thread ist event. dieser Link schon mal:
https://www.shovel-head.com/tech/elektr ... tplan.html
Bei Fragen einfach fragen.
Ciao Lutz
weiter vorn in diesem Thread ist event. dieser Link schon mal:
https://www.shovel-head.com/tech/elektr ... tplan.html
Bei Fragen einfach fragen.
Ciao Lutz
Beim Beschleunigen müssen die Tränen der Ergriffenheit waagerecht zum Ohr hin abfließen. (Walter Röhrl)
- Don Rocket
- Beiträge: 1794
- Registriert: 14.08.2012, 12:47
- Wohnort: Paris
Re: Kabelbaum selber bauen
holzlenker hat geschrieben:Servus shelbytg,
weiter vorn in diesem Thread ist event. dieser Link schon mal:
https://www.shovel-head.com/tech/elektr ... tplan.html
Ja genau, der war von mir, den Schaltplan habe ich mittlerweile noch etwas modifiziert:
Standlicht habe ich bei mir nicht verbaut, ist aber der Vollständigkeit halber im Schaltplan abgebildet.
Die Kabelfarben sind natürlich nicht verbindlich. Wenn du das normgerecht machen willst, findest du die entsprechenden Vorgaben in der DIN 72551: https://www.kfztech.de/kfztechnik/elo/kabelfarben.htm
Ansonsten, wie der Lutz schon schrieb: Bei Fragen einfach fragen und vielelicht das hier noch lesen: https://www.kabel-schmidt.de/Tipps-zur-Kabelauswahl/
Gruß
Dieter
Chrome won't bring you home
-
guzzikabel
- Beiträge: 146
- Registriert: 10.02.2018, 12:41
- Wohnort: Goslar
Re: Kabelbaum selber bauen
Hey wenn Du Dir das hier mal von vorne anschaust, wird es Dir helfen.
Ich habe mir ja nun die Box H von Joost gekauft. Wie schließe ich die Ochsenaugenblinker an? Da wird ja original Plus durchgeschaltet und die Blinker Erden sich ja selbst. Nun habe ich aber von der Box das Hauptkabel zum Verbraucher und das Steuerkabel zur Masse , aber wie klemme ich das an ???
Ich habe mir ja nun die Box H von Joost gekauft. Wie schließe ich die Ochsenaugenblinker an? Da wird ja original Plus durchgeschaltet und die Blinker Erden sich ja selbst. Nun habe ich aber von der Box das Hauptkabel zum Verbraucher und das Steuerkabel zur Masse , aber wie klemme ich das an ???
- bauluemmel
- Beiträge: 192
- Registriert: 15.02.2017, 18:11
- Wohnort: Braunschweig
Re: Kabelbaum selber bauen
Steuerkabel schaltet doch nur, schließt also nen Schalt-Schaltkreis, wahrscheinlich nen Transistor. Der wiederum wird den Blinkkreislauf schließen. Also Schalter an Masse und Box (input) und Blinklicht an powerside und Masse. Denke Ich!
-
guzzikabel
- Beiträge: 146
- Registriert: 10.02.2018, 12:41
- Wohnort: Goslar
Re: Kabelbaum selber bauen
Also meinst Du - Schalter an Masse - Auf die Masse vom Ochsenauge? Das wäre ja; Masse einfach aufn Lenker???
- bauluemmel
- Beiträge: 192
- Registriert: 15.02.2017, 18:11
- Wohnort: Braunschweig
Re: Kabelbaum selber bauen
Ja. Masse ist Masse, eigentlich nur ein vergrößerter Minuspol. Theoretisch ist das ganze Motorrad (also alle mit dem Rahmen leitend verbundenen Metallteile) ein einziger Minuspol. Du kannst also auch beide Minusanschlüsse (Schalter und Ochsenauge erst verbinden, auch die Minuspole beider Schalter und beider Ochsenaugen) zum hinteren Kotflügel führen und da an Masse anschließen, oder direkt zum Minuspol der Batterie - ergibt nur wenig Sinn, weil du unnötig Kabel verbauen würdest. Das ist m.E. auch der Grund, dass man den Rahmen an den Minuspol der Batterie anschließt, spart Kabel.
Zuletzt geändert von bauluemmel am 27.03.2019, 07:57, insgesamt 1-mal geändert.
-
guzzikabel
- Beiträge: 146
- Registriert: 10.02.2018, 12:41
- Wohnort: Goslar
Re: Kabelbaum selber bauen
Also muß ich die beiden dünnen Steuerkabel ( Li, Re ) aus der Box einfach auf Masse legen und dicken Hauptleitungen jeweils aufn Blinker ( Li , Re ) ??
- bauluemmel
- Beiträge: 192
- Registriert: 15.02.2017, 18:11
- Wohnort: Braunschweig
Re: Kabelbaum selber bauen
Steuerkabel an einen Schalter oder Taster und dann von dort auf Masse. Dickes Kabel an den Blinker und vom Blinker an Masse.
Re: Kabelbaum selber bauen
Ein Schalter hat in der Regel zwei Kabel. Eines geht vom Schalter zur Box (z.B. Blinkerkabelanschluß) und das andere an Masse, wo auch immer Du diese anschließen willst; dass kannst Du auch am anderen Ende des Rahmens anschließenguzzikabel hat geschrieben:Also meinst Du - Schalter an Masse - Auf die Masse vom Ochsenauge? Das wäre ja; Masse einfach aufn Lenker???
Wenn Du Dich entschließen solltest, die Masse über den Lenker zu nutzen, sollte man bedenken, dass die Masseverbindung zum Lenker auf Grund der "Unterbrechung" (Lenkkopflager) ungenügend sein kann. Dafür ist das dünne schwarze Kabel an der Box gedacht. Der Anschluss des schwarzen Kabel soll direkt am Lenker erfolgen, um diese Unterbrechung zu unterbinden.
Wenn Du ganz sicher gehen willst, alle Schalterkontakte mit einem ausreichend langen dünnen Kabel (z.B. Klingeldraht) verlöten. Diese Kabel und die der Ochsenaugenblinkers durch den Lenker ziehen (das sind dann 10 Kabel, die man mit Schrumpfschlauch verschönern kann) und an die Box, bzw. Masse anschließen.
Gruß
Norbert
- bauluemmel
- Beiträge: 192
- Registriert: 15.02.2017, 18:11
- Wohnort: Braunschweig
Re: Kabelbaum selber bauen
Das könnte dann ne Dauerwarnblinkanlage werden.guzzikabel hat geschrieben:Also muß ich die beiden dünnen Steuerkabel ( Li, Re ) aus der Box einfach auf Masse legen und dicken Hauptleitungen jeweils aufn Blinker ( Li , Re ) ??
Re: Kabelbaum selber bauen
...zur Sicherheit: damit meine ich die dünnen Kabel der Box.liekoer hat geschrieben:Ein Schalter hat in der Regel zwei Kabel. Eines geht vom Schalter zur Box (z.B. Blinkerkabelanschluß) und das andere an Masse, wo auch immer Du diese anschließen willst; dass kannst Du auch am anderen Ende des Rahmens anschließenguzzikabel hat geschrieben:Also meinst Du - Schalter an Masse - Auf die Masse vom Ochsenauge? Das wäre ja; Masse einfach aufn Lenker???
Gruß
Norbert
Re: Kabelbaum selber bauen
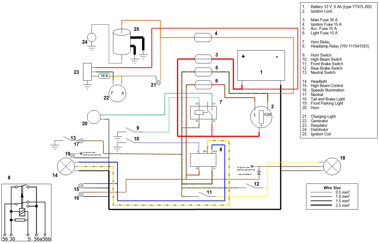
Ich schnall diese Schaltung nicht:
Bild:

Beim Regler wird für die Ladekontroll und Spule abgegriffen? Am Ausgang No 22 ?
Kann mich mal jemand abholen? Wo klemmts da bei mir?
Ist No. 22 ein Gleichstromgenerator? Vermutlich, oder?
Gruß Lorenz
Bild:

Beim Regler wird für die Ladekontroll und Spule abgegriffen? Am Ausgang No 22 ?
Kann mich mal jemand abholen? Wo klemmts da bei mir?
Ist No. 22 ein Gleichstromgenerator? Vermutlich, oder?
Gruß Lorenz
- holzlenker
- Beiträge: 4071
- Registriert: 31.01.2007, 08:53
- Wohnort: 93057 Regensburg
Re: Kabelbaum selber bauen
ja, Gleichstrom LiMa...ist ein Pan-Motor beim DonRocket
Beim Beschleunigen müssen die Tränen der Ergriffenheit waagerecht zum Ohr hin abfließen. (Walter Röhrl)