FX Gabel 35 mm

Moderator: Gerry

Antworten
kyra55
Beiträge: 369
Registriert: 01.12.2016, 13:24

FX Gabel 35 mm

Beitrag von kyra55 »

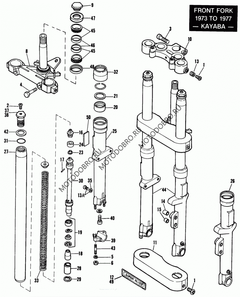
Hallo Leute, ich habe hier eine ( glaube FX ) Gabel mit Durchmesser 35 mm, hat jemand zufällig ein Bild oder eine Zeichnung was da alles drin sein sollte ?
Bin mir nicht sicher ob die so komplett ist :-)

Danke.Wolfgang
Benutzeravatar
Jaggomo
Beiträge: 1033
Registriert: 25.04.2008, 21:11
Wohnort: Plochingen

Re: FX Gabel 35 mm

Beitrag von Jaggomo »

Hallo
Schau mal bei CCE da gibt es Explosionszeichnungen.

Gruß Martin
Je älter der Bock, desto härter das Horn!
kyra55
Beiträge: 369
Registriert: 01.12.2016, 13:24

Re: FX Gabel 35 mm

Beitrag von kyra55 »

Antworten