Cannonball E-Starter, die zweite
Moderator: Gerry
Cannonball E-Starter, die zweite
Da Franz ja mit einem Cannonball E-Starter vorgelegt hat, ziehe ich jetzt mal nach. Meine Ur-Shovel, die ich seit mittlerweile 41 Jahre habe, bekommt einen!
Mir geht die Kickerei mittlerweile auf die Nerven, ausserdem habe ich dafür ja noch die Pan. Mit der Shovel bin ich die letzten Jahre nur sehr wenig gefahren, denn die restaurierte rote Shovel macht echt viel Spass und ist eben einfach per Knopfdruck zu starten. Aber ich will auch die blaue wieder mehr fahren, deswegen der Starter. Im Unterschied zu Franz gehe ich aber noch einen Schritt weiter und mache direkt die komplette Elektik neu. Dafür nehme ich ein Motogadget Mo.Unit Modul, den Mo.Button für den Lenker und weil es gerade passt, kommt auch noch ein neuer Tacho und andere Blinker ans Bike. Die lange Tachowelle hat mir nie gefallen...
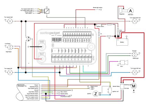
Hier schon mal die Teile für die Elektrik: Einen ersten Entwurf des Schaltplanes habe ich auch schon fertig, sind aber noch einige Optimierungen zu machen.
Ich werde mit dem Einbau aber erst in 1, 2 Monaten starten, ich muss das Moped noch in meine Werkstatt fahren, das ist mir Weichei aber im Moment zu kalt...
Jens
Mir geht die Kickerei mittlerweile auf die Nerven, ausserdem habe ich dafür ja noch die Pan. Mit der Shovel bin ich die letzten Jahre nur sehr wenig gefahren, denn die restaurierte rote Shovel macht echt viel Spass und ist eben einfach per Knopfdruck zu starten. Aber ich will auch die blaue wieder mehr fahren, deswegen der Starter. Im Unterschied zu Franz gehe ich aber noch einen Schritt weiter und mache direkt die komplette Elektik neu. Dafür nehme ich ein Motogadget Mo.Unit Modul, den Mo.Button für den Lenker und weil es gerade passt, kommt auch noch ein neuer Tacho und andere Blinker ans Bike. Die lange Tachowelle hat mir nie gefallen...
Hier schon mal die Teile für die Elektrik: Einen ersten Entwurf des Schaltplanes habe ich auch schon fertig, sind aber noch einige Optimierungen zu machen.
Ich werde mit dem Einbau aber erst in 1, 2 Monaten starten, ich muss das Moped noch in meine Werkstatt fahren, das ist mir Weichei aber im Moment zu kalt...
Jens
Re: Cannonball E-Starter, die zweite
Cool !
Sag Bescheid, falls Du Fragen hast.
Viel Erfolg,
Gruß, Franz
Sag Bescheid, falls Du Fragen hast.
Viel Erfolg,
Gruß, Franz
-
guzzikabel
- Beiträge: 146
- Registriert: 10.02.2018, 12:41
- Wohnort: Goslar
Re: Cannonball E-Starter, die zweite
Moin
Deine Shovel sieht genau so aus wie die die ich meiner Frau vor ca 3-4 Jahren gekauft habe.
Deine Shovel sieht genau so aus wie die die ich meiner Frau vor ca 3-4 Jahren gekauft habe.
Re: Cannonball E-Starter, die zweite
Dann zeig mal ein Bild zum vergleichen... 
Jens
Jens
-
guzzikabel
- Beiträge: 146
- Registriert: 10.02.2018, 12:41
- Wohnort: Goslar
Re: Cannonball E-Starter, die zweite
werde mal suchen ,ob ich noch ein Bild habe ,vorm Umbau.
-
guzzikabel
- Beiträge: 146
- Registriert: 10.02.2018, 12:41
- Wohnort: Goslar
Re: Cannonball E-Starter, die zweite
Foto gefunden, sieht doch leicht anders aus. 
Re: Cannonball E-Starter, die zweite
[img][attachment ähnlich der style ist 1994
Re: Cannonball E-Starter, die zweite
@guzzikabel: ja, ein wenig Ähnlichkeit ist vorhanden.... 
Re: Cannonball E-Starter, die zweite
Da ich ja für den Einbau des Cannon Ball Starters einen "Start" Knopf brauche, baue ichmeine komplette Elektrik neu, den ersten Entwurf des Schaltplanes hatte ich ja bereits gezeigt. Ich habe mir jetzt mal ein Test Board gebaut, um den Schaltplan zu prüfen und um die Einstellungen der M-Unit zu testen und zu programmieren. Klappt alles! Ich verwende die M-Unit, den M-Button und den Tiny Tacho. Vordere Blinker sind auch von Motogadget, die hinteren von Kellermann. Ich mache jetzt noch ein paar Strommessungen und werde ein paar Schaltkreise seperat absichern. Die Blinkerkabel sind extrem dünn und auch die Fernlichtkontrolle bekommt aufgrund des kleinen Querschnittes eine eigene Sicherung. Insgesamt kommen so 4-5 einzelne Sicherung also noch dazu. Anbei ein paar Bilder des Boards. Als nächstes kommt der Layout Plan und die Definition der erfoderlichen Zwischenstecker. Den ersten Enwurf des Layouts hänge ich auch mal als Bild an.
Jens
Jens
Re: Cannonball E-Starter, die zweite
Hi Jens,
warum willst noch zusätzliche Sicherungen verbauen?
Motogadget wirbt doch für ihre M-unit Boxen damit, dass man keine zusätzlichen Sicherungen mehr braucht. Haben ja 10 seperate Stromkreise die jeweils überwacht werden und bei einer Störung abschalten.
gruss robo
warum willst noch zusätzliche Sicherungen verbauen?
Motogadget wirbt doch für ihre M-unit Boxen damit, dass man keine zusätzlichen Sicherungen mehr braucht. Haben ja 10 seperate Stromkreise die jeweils überwacht werden und bei einer Störung abschalten.
gruss robo
Re: Cannonball E-Starter, die zweite
Moin robo,
das ist ganz einfach. Eine Sicherung dient zum Schutz der Leitungen, nicht der daran angeschlossenen Verbraucher. Mototgadget sagt, dass die Halbleiter ein Equivalent einer 10A Sicherung sind und empfehlen deswegen 1,5 Quadrat zu nutzen. Bei 10A reichen aber 0,75 bzw. 1 Quadrat dicke aus. Spannungsverlust durch höheren Widerstand ist bei der Leitungslänge im Moped mal zu vernachlässigen. Allerdings sind die Blinkerkabel der Motogadget und auch die der Kellermann Blinker sehr dünn (ich schätze mal 0.22 Quadrat, was für die Leistung der LED Blinker (ich glaube 7W) ok ist, aber nicht für eine Absicherung mit einer 10A Sicherung. Da würde das Kabel vor der Sicherung kaputtgehen. Deswegen werde ich die Blinkeransteuerung mit 1 Quadrat von der M-Unit bis zu einer Sicherung mit 1A oder 3 A routen und von da zu den Blinkern. Das Gleiche gilt für die Fernlichkontrollleuchte, die wird ja parallel zur Fernlichtleitung gelegt und ist auch sehr (!!) dünn. auch hier kommt eine Sicherung direkt hinter den Splice, damit das dünne Kabel geschützt ist. Was Motogadget schreibt ist korrekt, wenn man original Blinker mit dem original Querschnitt verwendet. Sie sagen aber auch, dass die Plus Leitung des Tachos unbedingt eine 1A Sicherung braucht, weil das Kabel so dünn ist. Es ist also immer eine Frage, welche Kombination man verwendet. Meine Variante schützt duch zusätzliche Sicherungen auch die dünnen Kabel.
Jens
das ist ganz einfach. Eine Sicherung dient zum Schutz der Leitungen, nicht der daran angeschlossenen Verbraucher. Mototgadget sagt, dass die Halbleiter ein Equivalent einer 10A Sicherung sind und empfehlen deswegen 1,5 Quadrat zu nutzen. Bei 10A reichen aber 0,75 bzw. 1 Quadrat dicke aus. Spannungsverlust durch höheren Widerstand ist bei der Leitungslänge im Moped mal zu vernachlässigen. Allerdings sind die Blinkerkabel der Motogadget und auch die der Kellermann Blinker sehr dünn (ich schätze mal 0.22 Quadrat, was für die Leistung der LED Blinker (ich glaube 7W) ok ist, aber nicht für eine Absicherung mit einer 10A Sicherung. Da würde das Kabel vor der Sicherung kaputtgehen. Deswegen werde ich die Blinkeransteuerung mit 1 Quadrat von der M-Unit bis zu einer Sicherung mit 1A oder 3 A routen und von da zu den Blinkern. Das Gleiche gilt für die Fernlichkontrollleuchte, die wird ja parallel zur Fernlichtleitung gelegt und ist auch sehr (!!) dünn. auch hier kommt eine Sicherung direkt hinter den Splice, damit das dünne Kabel geschützt ist. Was Motogadget schreibt ist korrekt, wenn man original Blinker mit dem original Querschnitt verwendet. Sie sagen aber auch, dass die Plus Leitung des Tachos unbedingt eine 1A Sicherung braucht, weil das Kabel so dünn ist. Es ist also immer eine Frage, welche Kombination man verwendet. Meine Variante schützt duch zusätzliche Sicherungen auch die dünnen Kabel.
Jens
Re: Cannonball E-Starter, die zweite
Hi Jens,
willst dann die Kabel komplett auf den Miniquerschnitt lassen?.
Ja ok, dann macht das Sinn. Ich bin da nicht der Freund von Motorrad mit Klingeldrähten zu verkabeln. Ist aber wohl der Trend.
Übrigens erwähnt weder Motogadget noch Kellermann in den Anbauanleitungen zu ihren Blinkern M-Blaze Disk und Kellermann Atto auch nur mit einem Wort etwas davon diese Blinker mit den dünnen Kabelchen mit einer geringeren Amperezahl abzusichern.
Da sollte man doch glatt mal bei Motogadget anfragen wie die sich das vorstellen, ihr 100cm langes Mini-Kabel bein den M-Blaze Disks auf 1,5mm² aufzupumpen um es an ihre M-Unit anschliessen zu dürfen.
gruss robo
willst dann die Kabel komplett auf den Miniquerschnitt lassen?.
Ja ok, dann macht das Sinn. Ich bin da nicht der Freund von Motorrad mit Klingeldrähten zu verkabeln. Ist aber wohl der Trend.
Übrigens erwähnt weder Motogadget noch Kellermann in den Anbauanleitungen zu ihren Blinkern M-Blaze Disk und Kellermann Atto auch nur mit einem Wort etwas davon diese Blinker mit den dünnen Kabelchen mit einer geringeren Amperezahl abzusichern.
Da sollte man doch glatt mal bei Motogadget anfragen wie die sich das vorstellen, ihr 100cm langes Mini-Kabel bein den M-Blaze Disks auf 1,5mm² aufzupumpen um es an ihre M-Unit anschliessen zu dürfen.
gruss robo
Re: Cannonball E-Starter, die zweite
Hi Robo,
die vorderen Lenkerendblinker werde ich schon im Lenker auf 0,5 vergrössern, hier ist ja auch die mechanische Belastbarkeit durch den Lenkeinschlag ein Thema. Die hinteren lasse ich so dünn, weil ich vorhabe, diese durch eine kleine Fräsung auf der Innenseite der Fender Struts laufen zu lassen.
Motogadget nimmt ja auch eine 40A J-Case Sicherung in dem bei ihnen erhältlichen Kabel zwischen Batterie und M-Unit. Mir ist die aber deutlich zu träge und 40A brauche ich auch nicht, deswegen kommt hier eine normale 25A ATO Fuse und ein 4 Quadrat zum Einsatz. Wie gesagt, ich verifiziere das ganze noch durch ein paar Messungen, aber das sollte schon ok sein.
Jens
die vorderen Lenkerendblinker werde ich schon im Lenker auf 0,5 vergrössern, hier ist ja auch die mechanische Belastbarkeit durch den Lenkeinschlag ein Thema. Die hinteren lasse ich so dünn, weil ich vorhabe, diese durch eine kleine Fräsung auf der Innenseite der Fender Struts laufen zu lassen.
Motogadget nimmt ja auch eine 40A J-Case Sicherung in dem bei ihnen erhältlichen Kabel zwischen Batterie und M-Unit. Mir ist die aber deutlich zu träge und 40A brauche ich auch nicht, deswegen kommt hier eine normale 25A ATO Fuse und ein 4 Quadrat zum Einsatz. Wie gesagt, ich verifiziere das ganze noch durch ein paar Messungen, aber das sollte schon ok sein.
Jens
Re: Cannonball E-Starter, die zweite
Tacho und Lenker sind fertig verkabelt. Kupplung kommt auch neu, die alte war hin. Ich habe mich für eine Riviera Pro Clutch entschieden, bin mal gespannt. Nächstes WE geht es weiter, ich denke in 3,4 Wochen bin ich fertig (kann leider immer nur am WE daran arbeiten).
Jens
Jens
Re: Cannonball E-Starter, die zweite
Moin
Sauber mit den Kabeln
mich stören immer diese fetten Stecker lassen sich so schwer verstecken
Ich binn gespannt wie du mit dem Cannonball zufrieden bist montage etc.
MfG Martin
Sauber mit den Kabeln
mich stören immer diese fetten Stecker lassen sich so schwer verstecken
Ich binn gespannt wie du mit dem Cannonball zufrieden bist montage etc.
MfG Martin